Als inbouwmotor genoot de Engelse Villiers motor een goede naam. Het was een eenvoudige tweetakt, goedkoop in aanschaf en gebruik, redelijk zuinig, betrouwbaar en voor een tweetakt onverslijtbaar. Geen wonder dat er veel zijn verkocht en uiteraard ook veel bewaard zijn gebleven. Dit is dan ook de reden dat Motor Klassiek aandacht besteedt aan deze belangrijke constructie.

Historie
De firma Villiers werd in 1898 gesticht door C. Marston die nadien de titel van “Sir” verwierf. Charles was de zoon van de al even bekende John Marston. De kersverse firma produceerde pedalen en andere onderdelen voor fietsen en motorfietsen o.a. voor Sunbeam. Zo rond 1900 werd een vrijloop voor fietsen gebrevetteerd en op de markt gebracht. Daar de verkoop van pedalen stilaan daalde werd uitgekeken naar het vervaardigen van andere producten. De keuze viel op de fabricage van inbouwmotoren voor de toen nog zeer jonge motorfietsindustrie.

De eerste motoren waren, eigenaardig genoeg, geen tweetakten waardoor Villiers zo beroemd geworden is, maar een heuse viertakt geproduceerd in 1911. Voor zijn tijd moet de motor zeer modern zijn geweest. Zo waren de motor en de versnellingsbak reeds ondergebracht in één en hetzelfde compartiment. Er waren twee versnellingen aan boord. De motor bezat al een kickstarter en zelfs een koppeling, wat voor die tijd als zeer modern gold.

Het toch zeer vooruitstrevend ontwerp kon de klanten/constructeurs echter niet bekoren en de viertakt werd een grote flop. Pas toen de eerste tweetakt op het toneel verscheen in 1913 leek Villiers de goede richting te hebben gevonden en werd de basis gelegd voor een vruchtbare carrière. De eerste tweetakt, de Mark 1 of afgekort de Mk 1, werd ontworpen door Frank Farrar. Hij had een cilinderinhoud van 269 cc en was uitgerust met twee grote cilindrische geluidsdempers. Farrar ergerde zich al een hele tijd aan de slechte kwaliteit van de toenmalige magneto’s en ontwierp voor Villiers een eigen vliegwielmagneet.

De zaken gingen goed en na het eerste wereldconflict bouwde Villiers een nieuwe fabriek gelegen aan de Marston Road in Wolverhampton. De fabriek bood werk aan meer dan 1000 arbeiders. Frank Farrar, die intussen benoemd was tot directeur-generaal, nam Frank Poutney in dienst voor de verdere ontwikkeling van de vliegwielmagneet. Poutney verbeterde niet alleen het ontstekingsgedeelte, maar voorzag de installatie ook nog van enige spoelen voor de productie van de nodige elektrische stroom. Dat was een revolutionaire vinding waarvoor Poutney tot hoofdingenieur en later zelfs tot directeur werd bevorderd. Eventjes lonkte Villiers begerig naar de autowereld, maar keerde in 1922 volledig terug naar de constructie van tweetaktmotoren voor de inbouw in motorrijwielen met cilinderinhouden van 150, 250 en 350 cc. Deze motoren werden als warme broodjes verkocht en vonden hun weg naar een hele waaier van motormerken zoals: A.B.C., A.B.J., Aberdale, A.E.I., Aeolus, Ajax, A.J.W., Allegro, Allright, Ambassador, A.M.S., Ancora, Anglo-Dane, Apollo, ARAB, ARC, Arden, Armstrong, Austria, Automoto, Avis-Celer, B.A.C., Baker, Banshee, Baron, Batavus, Beccaria, Berwick, Bond, Brown, British-Standard, Buecker, Bulldog, Caltorpe, Carfield, Carlton, Casoli, C.C., Chater & Chater Lea, Chell, Comery, Condor, Consul, Cotton, Coventry-Eagle, Crescent, Crest, Dayton, Defy-All, De Luxe, Despatch Rider, Diamond, Dilecta, D.K.R., D.M.F., D.M.W., DOT, Dreadnought, D.S.H., Dunelt, Elig, Elmdon, Endurance, Escol, Europa, Excelsior, Eysink, Fagan, Federation, F.L.M., Francis-Barnett, Gadabout, Garanzini, Gazelle, Ge-Ma-Hi, Germaan, Gerrard, Givaudan, Glendale, Greeves, Grigg, Grindlay-Peerless, Harewood, Harper, Hascho, Haschuet, H.E.C., Hecker, H.J., Hoco, Hoskinson, H & R, Hulsmann, Invicta, Iresa, Ixion, James, Jawa, J.H., Juno, Koehler-Escoffier, Kumfert, Lady, La Mondiale, Letbridge, L.G.C., Lily, Lion-Rapide, Marlow, Mars, Massey, McEvoy, Mead, Meray, Mercury, Mexico, Mohawk, Monarck, Monet-Goyon, Moonbeam, Motopiana, Monygommery, Mountaineer, M.T., M. & M., Neander, New Comet, New Henley, New Knight, New Ryder, Newton, Necchi, Novy, Henley, Norbreck, Norman, N.S.H., N.U.T., Oberle, O.E.C., Olympic, O.M.N., Oscar, Overdale, Panther, Phoenix, Piana, Pierton, Pouncy, Poustka, P.V., Radco, Radmill, Ray, Raynal, Ready, Rebro, Revere, Rex-Acme, Rex, R.M.W., Rockson, Roulette, Royal Nord, Royal Ruby, Rulliers, Sadrion, Salira, Saltley, Sarco, Saxessories, Scorpion, S.G.S., S.H.L., Silver Prince, Socovel, S.O.S., Southey, Sparkbrook, Sparta, Stabil, Sudbrook, Sun, Supremoco, Tempo, Tilbrook, Triplette, Victoria, Vincent, Walter, Weaver, Westvian, Wolf, Zenith, ZWI en misschien nog wel enige die niet meer gevonden of vergeten werden.

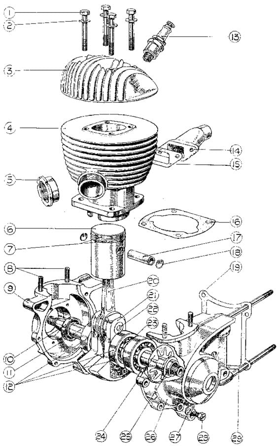
villiers-motorblokken

Overnames

In 1924 verscheen de 175 cc in verschillende versies waaronder de beroemde “Brooklands” waarmee verschillende snelheidsrecords werden gevestigd. Deze motor deed het ook goed op de gewone racecircuits. De Brooklands werd later opgevolgd door de ” Super Sports”. De voortdurend doorontwikkelde 175 cc bleef in productie tot 1947. De tweemiljoenste motor werd gebouwd in 1956 en bevindt zich nu in het South-Kensingtonmuseum in Engeland.

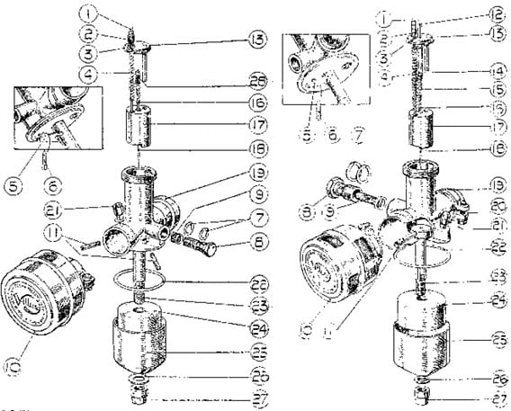
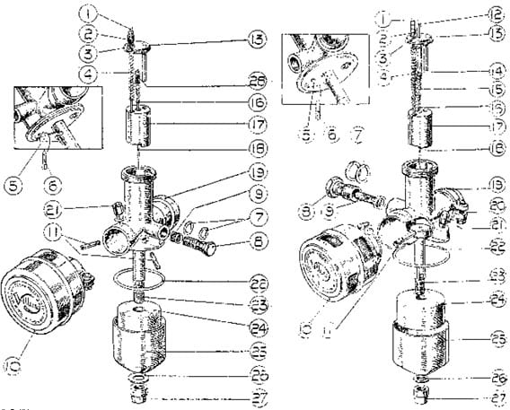
Vanaf 1925 maakte Villiers ook zijn eigen carburatoren. Speciaal daaraan was de concentrisch gelegen vlotterkamer, iets dat AMAL pas jaren later zou introduceren op hun befaamde “Concentric“.

In 1956 besluiten Villiers en J.A.P. (John Albert Prestwich) samen te gaan werken. De productie van J.A.P. werd te Tottenham opgegeven en vervolgd in de fabrieken te Wolverhampton. Op die manier produceerde men bij Villiers sinds lange tijd weer viertakten. Rond de jaren ’60 ging de verkoop van motorfietsen bergafwaarts. Dit liet zich uiteraard ook voelen bij Villiers. In 1965 werd de firma opgekocht door E. & H.P. Smith die zelf ook al deel uitmaakte van de Manganese Bronze Holdings. Nochtans, in september 1966, koopt Villiers AMC op (Associates Motorcycles Companie).


Aldus komen James en Francis-Barnett, met fabrieken in Greet, en A.J.S. (Albert John Stevens) uit Woolwich, allemaal te samen onder één beheer. Veel hielp het echter niet meer, want nauwelijks een jaar later krijgt de groep een nieuwe naam: “Norton Villiers“. In 1973 kwamen, onder druk van de financiële wereld, de merken B.S.A. ( Birmingham Small Arms) en Triumph er nog bij, maar die stonden zelf al aan de rand van het faillissement. Door inbreng van vers kapitaal sukkelde men weer wat verder. De naam van de groep werd nog maar eens gewijzigd en heette nu “Norton-Villiers-Triumph“. Maar, zoals we inmiddels allemaal weten kon dit niet meer baten. Stakingen in de Triumphfabriek te Meriden, met onzinnige en onlogische organisaties brachten de al zeer wankele motorindustrie in Engeland de genadeslag toe.

Een kleine heropleving in 1973 gaf weer een sprankje hoop, dankzij Norton, maar in 1975 was alles definitief voorbij, hoewel in de Villiers fabriek te Wolverhampton nog genoeg onderdelen lagen om nog 1500 Nortons compleet af te werken.

Vandaag de dag bestaat de naam Villiers nog steeds, maar ze heeft niets meer te maken met de eens zo roemruchte motorenproductie.

Door: Egon Duchateau – gepubliceerd in Motor Klassiek 1-2004

 

LATEN WE CONTACT HOUDEN!

We houden je graag op de hoogte van ons laatste verhalen 😎

We sturen je geen spam en houden je e-mailadres geheim!

Eén reactie

  1. Ciao, Ho una moto ancora del 1936 che monta mote villiers 175cc. Sto cercando il manuale per la ricostruzione dell’impianto elettrico del motore villiers, perché sto restaurando la mia moto e mi trovo in difficoltà. Inoltre cerco anchel’immagine del logo originale del sarbatoio che nn riesco a reperire.spero mi possiate aiutare al piu presto.grazie

    mario

Geef een reactie

Je e-mailadres wordt niet gepubliceerd. Vereiste velden zijn gemarkeerd met *